化工设备原料的干燥、加热、蒸馏、浓缩、熔化等过程都离不开蒸汽的帮助。因此,化工行业大多选用工业蒸汽锅炉进行生产加工。英国锅炉以低氮环保锅炉设备为代表,将迅速带动化工行业践行生态文明建设,为整个化工行业的可持续发展注入更多动力。


Steam boiler system solutions
蒸汽锅炉系统解决方案 全方位定制Technical parameter
9965次观看
9965次观看
9965次观看
9965次观看
坚钢之骨,熔铸卓越热能
这不仅是一台锅炉,它是匠心与科技的交响,是能量转换的艺术家,以不屈傲骨,锻造出工业血脉中的非凡动力
坚钢之骨,熔铸卓越热能
这不仅是一台锅炉,它是匠心与科技的交响,是能量转换的艺术家,以不屈傲骨,锻造出工业血脉中的非凡动力
产品系统图Product system diagram
我们的锅炉可提供多种燃料选择,包括天然气、石油、生物质、煤炭、固体燃料、液体燃料和电力。我们的机械和项目工程能力备受推崇,为各行各业提供全面的设计、制造、安装和调试服务。
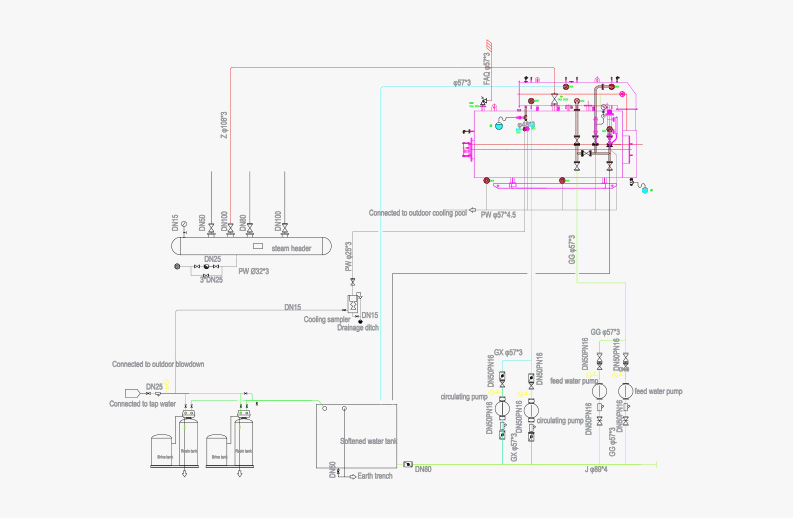
蒸汽锅炉系统图
我们的蒸汽锅炉系统具有效率高、需求多样的优点。安全环保,满足您的需求。
蒸汽锅炉带除氧机系统图
我们的蒸汽锅炉系统具有效率高、需求多样的优点。安全环保,满足您的需求。
Industry application
化工设备原料的干燥、加热、蒸馏、浓缩、熔化等过程都离不开蒸汽的帮助。因此,化工行业大多选用工业蒸汽锅炉进行生产加工。英国锅炉以低氮环保锅炉设备为代表,将迅速带动化工行业践行生态文明建设,为整个化工行业的可持续发展注入更多动力
在纺织品加工过程中,染整、烘干、铺网、上浆等工序都离不开蒸汽的帮助,而蒸汽锅炉也是必不可少的。一方面可以作为动力源,通过热交换推动各工序的顺利进行。另一方面,蒸汽锅炉产生的高温蒸汽还可以通过管道输送,直接参与纺织加工。因此,企业在选择锅炉设备时,一定要把锅炉是否实现低排放污染放在首位。
根据博瑞特锅炉多年来与供热公司合作的经验,大部分公司都会选择热水锅炉用于供暖和生活热水供应。也有一部分公司除了供暖外,还选择蒸汽锅炉为公司生产提供动力。选择供暖锅炉时,需要考虑供暖项目现场的实际情况,比如建筑高度、供暖方式、供暖面积以及是否是节能建筑等,再利用热力学公式精确计算出供热单位需要的锅炉吨位。
一般来说,对于酒店型企业来说,热水锅炉主要用于采暖、洗浴热水、泳池恒温水源等。考虑到酒店业客户的定位,大部分酒店都会选择建在城镇繁华地段或者生态环境优良的地方,对于环境和用户体验的要求比较多。因此,酒店型企业在采购热水锅炉时,一定会选择能够充分满足酒店设施正常使用,并且对酒店周边环境没有污染的热水锅炉。
从粗糙的原料到平整洁净的纸张,一张纸经过了无数的洗涤和提炼才呈现在我们面前。制浆、调制、造纸、后处理从制浆到调制,再到造纸和后处理,都需要工业蒸汽锅炉来提供动力。其次,蒸汽锅炉输出的高温优质蒸汽,还会通过管道输送到各个环节,与原料充分混合,成为各个步骤的原料之一。可以说,蒸汽的质量会直接影响纸张的质量。
鸡、鸭、鹅等蛋禽在孵化、哺育过程中需要维持恒温环境,虾、蟹等海产品对日粮、生活环境温度的要求也非常高,因此养殖企业需要使用锅炉进行相应的温度维持和禽畜日粮处理。如果使用蒸汽锅炉,可以直接作为养殖场的动力源,也可以通过板换处理装置维持养殖场内的温度。如果选择热水锅炉,可以设定温差来维持恒温。
在食品厂的锅炉应用中,蒸汽锅炉所占的比例非常大,蒸馏、提取、消毒、干燥、陈化等步骤都离不开它。通过管道输送,将蒸汽锅炉产生的高温蒸汽输送到相应的工序,考虑到这种高温蒸汽会直接或间接地与食品接触。因此,食品加工行业对蒸汽锅炉的要求非常高,温度是否恒定、压力是否稳定、蒸汽品质是否优良都是决定食品最终品质的关键因素。
无论是酿造白酒、啤酒、葡萄酒,在其生产过程中,发酵、蒸馏等工序都要用到蒸汽进行相关工作。发酵是将酒曲与粮食混合发酵,产生酒精。蒸馏则需要借助蒸馏器、冷凝器等设备,将粮食中的酒精物质萃取出来。由此可见,一台能够稳定输出高温、高品质蒸汽的蒸汽锅炉必不可少。更为清洁环保的燃气锅炉、电锅炉顺应潮流应运而生,凭借高效运行、极低的氮氧化物排放量,受到各大酒企的青睐。
Product system diagram
大邦造锅炉产品拥有完善的配套设备,解决您在使用中产品的优化升级、更新换配等问题减少成本需求,增加产品灵活性。







固定资产2.5亿元占地
面积10万平方米
在锅炉燃烧、换热、结构等方面
拥有100多项次专利技术
在锅炉燃烧、换热、结构等方面,拥有100多项次专利技术
现有员工500余名,
各类工程技术人员150余名
为15000多家客户
提供专业的产品与服务
案例展示
Case presentation定制服务流程
更多型号也可联系我们,支持定制